The BGS8618/20/22/25/27N is a Hybrid Push Pull gain block. It is
optimized for exceptionally low distortion and low noise figure in a 75 Ω push
pull amplifier circuit. It provides excellent input and output return loss over
the 45 to 860 MHz CATV HFC infrastructure.
The device is
ideally suited for use in CATV applications where low distortion and low noise
figure are required.
The device
package is complied with standard SOT-115J.
Features
l
18,
20, 22, 25, 27 dB Gain
l
24 V
DC Bias
l
105 dBμV/CH Output Power
Level @ 860 MHz
l
Excellent
Linearity
l
Superior
Return Loss Performance
l
Extremely
Low Distortion
l
Optimal
Reliability
l
Extremely
Low Noise
l
Unconditionally
Stable Under All Terminations
l
280 mA
at 24 VDC
Applications
l
45 to 860
MHz CATV Amplifier Systems
Electrical Specifications: T = +25 °C, V = 24 V, Zin = Zout = 75 Ω
|
Parameter |
Units |
Min. |
Typ. |
Max. |
Test Conditions |
|
Gain |
dB |
- |
18 |
- |
45 - 860 MHz |
|
20 |
|||||
|
22 |
|||||
|
25 |
|||||
|
27 |
|||||
|
Slope |
dB |
- |
1.0 |
- |
45 - 860 MHz |
|
Flatness |
dB |
- |
±0.2 |
- |
45 - 860 MHz |
|
Noise
Figure |
dB |
- |
4.0 |
- |
45 - 860 MHz |
|
Input
Return Loss |
dB |
≥17 |
- |
- |
45 - 860 MHz |
|
Output
Return Loss |
dB |
≥17 |
- |
- |
45 - 860 MHz |
|
Total
Current Consumption (DC) |
mA |
- |
280 |
|
+ 24 V |
|
CTB* |
dB |
- |
68 |
- |
105dBμV
@ 860 MHz |
|
CSO* |
dB |
- |
70 |
- |
105dBμV
@ 860 MHz |
|
XMOD* |
dB |
- |
68 |
- |
105dBμV
@ 860 MHz |
* 60 PAL (analog) channels + QAM channels (- 6 dB offset); flat.
Handling Procedures
Please
observe the following precautions to avoid damage:
Static Sensitivity
Gallium Arsenide Integrated Circuits are sensitive to electrostatic discharge (ESD) and can be damaged by static electricity. Proper ESD control techniques should be used when handling these devices.
Absolute
Maximum Ratings
|
Parameter |
Unit |
Rating |
|
RF Input Level |
dBmV |
75 |
|
DC Supply Over-Voltage (5 minutes) |
V |
30 |
|
Storage Temperature |
°C |
- 40 to +100 |
|
Operating Mounting Base Temperature |
°C |
- 30 to +100 |
Caution! ESD sensitive device.
RoHS
Alarm: Exceeding any one or a combination of the Absolute Maximum Rating conditions may cause permanent damage to the device. Extended application of Absolute Maximum Rating conditions to the device may reduce device reliability. Specified typical performance or functional operation of the device under Absolute Maximum Rating conditions is not implied.
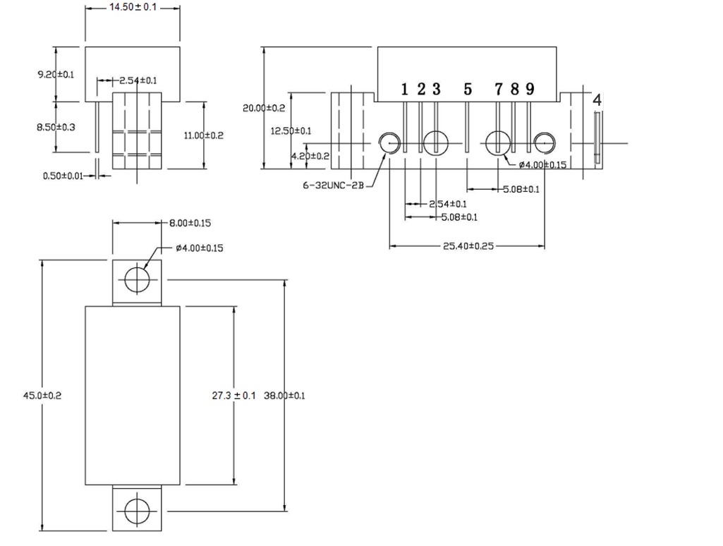
Package Drawing (Dimensions in millimeters)

Ordering information
|
Description |
Part
Number |
|
BGS8618N
GaAs Push Pull Gain Block, 24 V 860MHz 18dB |
9940000004 |
|
BGS8620N
GaAs Push Pull Gain Block, 24 V 860MHz 20dB |
9940000005 |
|
BGS8622N
GaAs Push Pull Gain Block, 24 V 860MHz 22dB |
9940000006 |
|
BGS8625N
GaAs Push Pull Gain Block, 24 V 860MHz 25dB |
9940000043 |
|
BGS8627N
GaAs Push Pull Gain Block, 24 V 860MHz 27dB |
9940000044 |
SQ Electronics Co., Ltd is a technology enterprise specialized in R&D and manufacturing of CATV and PDU related products. The history of the company goes back to 1991. Originally it was a Shanghai based company(ShangHai QianJin Electronic Equipment Co., Ltd). Due to the rapid development of business activities and customer needs, established a 17000 square meter manufacturing base in Suzhou(Qianjin Electronics (Suzhou) Co., Ltd.). Due to strategic upgrading and development, SQ Electronics (Suzhou) Co., Ltd was established in September 2024 and officially switched, embarking on a new journey of cooperation.
Currently it has about 100 employees. Among them, more than 30% are engineers and technicians. The company has inherited the core team, technology, resources, and experience of the original company, and is committed to further innovation and development on the existing basis.
SQ products are well accepted in the industry because of our high quality and innovative design. Quality is our number one priority, and our goal is to supply world class products through outstanding service to our customers and partners.
Address: No. 5 Qidu Avenue Suzhou City Jiangsu Province China(within Qianjin Electronics (Suzhou) Co., Ltd.)
Address: 701, 7th Floor, No. 1768 Yishan Road, Minhang District, Shanghai, China (Shanghai Office)
Phone: 021-64957666
Email: eddy@sq-cabledevice.com